проблема в следущем: при разборе данной колодки ( был плохой контакт в колодке, ибо отключался стеклоподъемник) перепутались провода, я замыкая их окна то закрыл, но не зная распиновки нет возможности собрать, можно конено методом тыка, но я ужхэ как тока не пробовал..... если опускается стекло, то не подымается, а кнопкой блокировки стекол срабатывает центральный замок на закрытие, в общем все перепуталось... если есть у кого нить возможность сфотографировать как ставятса провода будьте добры дайте фото или схему.
разбирали с товарищем дверь АЛМЕРА КЛАССИК там сделано иначе и провода иного цвета.
у меня АЛМЕРА 04г.в. 1.5 литра МКПП, седан, т.е. англичаночка.
как то душно ездить с закрытыми окнами :о)
нужна распиновка колодки стеклоподъемников водительской двери
-
PADLIK
- Новичок

- Сообщения: 74
- pinterest kuchnie Warszawa
- Зарегистрирован: 18 июн 2007 02:57
Re: нужна распиновка колодки стеклоподъемников водительской двери
не ну ето не серьезно, никто не может чтоли снять две крышки в двери и сфотографировать проводку ??? делов то на пару минут
Re: нужна распиновка колодки стеклоподъемников водительской двери
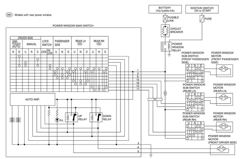
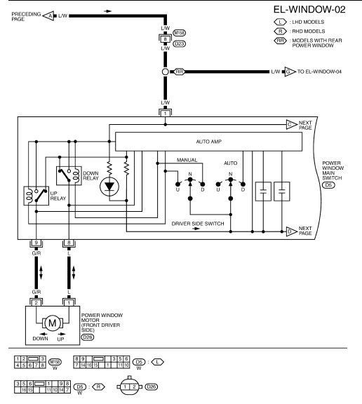
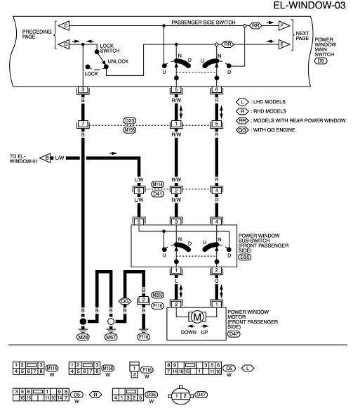
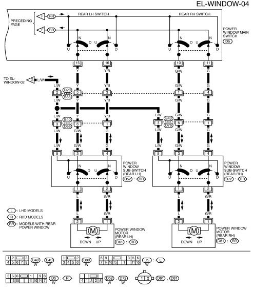
это от рестайлинга, может подойдет . На форуме есть ссылки на мануал ищи и найдешь










Re: нужна распиновка колодки стеклоподъемников водительской двери
спасибо канечно, но мне бы просто фотографию с колодкой или схемку с подписанными цветами проводов, в инете вообще ничего не могу найти
Re: нужна распиновка колодки стеклоподъемников водительской двери
это обозначение проводов , вернее их цвет написан буквами.

колодка (её вид есть на схеме в низу, а цвета сам подставишь) пронумерована

колодка (её вид есть на схеме в низу, а цвета сам подставишь) пронумерована
Re: нужна распиновка колодки стеклоподъемников водительской двери
уф, ето все канечно интересно, но совершенно не могу найти свой вариант подключения, ввиду того что подъемники только передние + там есчо блокировка окон и центральный замок, проводов подходит восемь, четыре толстых и четыре тонких, вот те каторые потолще: чорный - земля, синий - управление, красный с полоской - закрытие пассажирского подъемника, просто красный - открытие пассажирского подемника. те что птоньше синий с полоской - закрытые стекла водителя, синий без полоски - открытие стекла водителя, и два провода остальные ето центральный замок, проблема в том что в колодке порядка 20 отверстий, некоторые паралельны, и куда какой проводок я ХЗ, предоставленная схема ясности к сожалению в сложившуюся ситуацию не вносит, хотя очень бы хотелось
- GrivsFor
- Знаток

- Сообщения: 392
- Зарегистрирован: 18 май 2008 18:51
- Имя: Славок
- Авто: 1.8AT '2003
- Откуда: Столица
- Контактная информация:
Re: нужна распиновка колодки стеклоподъемников водительской двери
Мультиметр в руки и вперёд - включаешь зажигание и кнопками щёлкаешь и замеряешь - где плюс на поднятие, где плюс на опускание стекла, на каждый мотор стеклоподъёмников приходит 2 провода, на водительское окно четыре - и то, из них два управляющих для автоматического открытия-закрытия...
Кстати. если нашёл провод, на который подаётся плюс на закрытие будь уверен - на него же подаётся минус для закрытия... типа обратная полярность.
Кстати. если нашёл провод, на который подаётся плюс на закрытие будь уверен - на него же подаётся минус для закрытия... типа обратная полярность.
Как то так. - KoSoi GlaZ
- Знаток

- Сообщения: 485
- Зарегистрирован: 08 авг 2007 23:28
- Авто: N16 5d х/б, 1.5 2001
- Откуда: СПб
- Контактная информация:
Кто сейчас на конференции
Сейчас этот форум просматривают: Baidu [Spider] и 2 гостя