Не горит задний правый поворотник
-
Irock
- Новичок

- Сообщения: 4
- pinterest kuchnie Warszawa
- Зарегистрирован: 06 янв 2007 21:45
Не горит задний правый поворотник
Привет всем!
Помогите, кто сталкивался или знает где искать проблему. При включении левого поворота - все ОК, при включении правого не горит лампочка сзади (спереди и сбоку горят). Лампочка целая и предохранитель вроде целый тоже. Заранее спасибо!
P.S. Nissan Almera 1999 г.в., 1.6i, хэтчбэк
Помогите, кто сталкивался или знает где искать проблему. При включении левого поворота - все ОК, при включении правого не горит лампочка сзади (спереди и сбоку горят). Лампочка целая и предохранитель вроде целый тоже. Заранее спасибо!
P.S. Nissan Almera 1999 г.в., 1.6i, хэтчбэк
Не горит задний правый поворотник


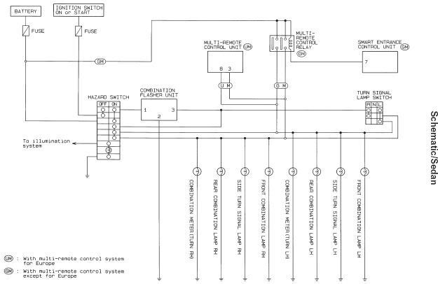
смотри схемы , может поможет
- Solidus
- Знаток

- Сообщения: 549
- Зарегистрирован: 08 ноя 2006 18:13
- Имя: Юрий
- Авто: Lux N16 2006 Hatch
- Откуда: С-Петербург
Не горит задний правый поворотник
Попробуй лампочку поменять, у меня было, вроди бы лмпочка целая, а всё равно не горит! Вот если не поможет тогда к схеме см. выше.
N16 LUX 1,5 MT 2006
Не горит задний правый поворотник
Есть один простой способ: Стукни (аккуратненько) по тому месту, где НЕ горит!
Открыть сердце женщины можно ключом от машины.
Не горит задний правый поворотник
у меня стоп правый не горел,лампочку поменял и все,когда машину гнали по трассе,толи стрясли ее или что незнаю........
[size=large][color=000099]NISSAN ALMERA N16 HB 2006[/color][/size]
Не горит задний правый поворотник
Всем спасибо, проблема решена... был обрыв провода недалеко от лампочки
Не горит задний правый поворотник
ну во,боялся ьольше:)
[size=large][color=000099]NISSAN ALMERA N16 HB 2006[/color][/size]
Не горит задний правый поворотник
КСТАТИ,У МЕНЯ ПОВОРОТКА ПЕРЕГОРАЛА И ОНА НАЧИНАЕТ БЫСТРО ЩЕЛКАТЬ И МИГАТЬ БЫСТРО НА ПАНЕЛИ......
[size=large][color=000099]NISSAN ALMERA N16 HB 2006[/color][/size]
Не горит задний правый поворотник
Alex, Не горит задний правый габарит и нет освещения приборной доски. Подскажи где найти схему?
-
Thunder
- Специалист

- Сообщения: 1230
- Зарегистрирован: 07 июл 2006 04:30
- Откуда: Планета Кей-пакс (Центральный офис в Жулебино)
- Контактная информация:
Не горит задний правый поворотник
gosha, для начала посмотри предохранители в монтажном блоке... слева под рулем.
Преодолеть тормозной путь отдельно от своего автомобиля- плохая примета
Almera classic 1.6 MT, PE+ "AU" ABE (темно-синий)____04\06г (погибла) =(
Opel astra 1.8 AT, enjoy+, metro, 07/08г +
Таз 2114 P.Ver., 1.5 OHC, silver
Almera classic 1.6 MT, PE+ "AU" ABE (темно-синий)____04\06г (погибла) =(
Opel astra 1.8 AT, enjoy+, metro, 07/08г +
Таз 2114 P.Ver., 1.5 OHC, silver
Не горит задний правый поворотник
gosha, личку прочитал и дал ответ.
Кто сейчас на конференции
Сейчас этот форум просматривают: нет зарегистрированных пользователей и 2 гостя
